
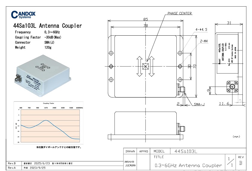
アンテナカプラ (0.3~6.0GHz) 広帯域 44Sa103L
300MHz帯から使用できる、小型&広帯域アンテナカプラ
シールドボックス内などで無線デバイスを近づけて送受信試験が可能
300MHz~6.0GHz(型名:44Sa103L)
近距離測定用無線デバイス評価用( Wi-Fi )
車載(キーレスエントリー、TPMS)用としても最適(315MHz)
薄型設計
検査機器内組込み用
シールドボックス内での通信測定、治具として
コネクタ:SMA(J)
Size :W85×D70×H31(mm)
質量:120g


アンテナカプラはデバイスに接触させるか、または1cmほどの距離で使用します。
数cm以上離すと再現性が悪化しますのでご注意ください。
シールドボックス内での測定に適しています。

システムインテグレーションサービス
ペリテックは、各種センサ、信号変換モジュール、リレー、通信機器などを活用し、お客様の計測・制御システムを最適に構成します。機器単体の提供にとどまらず、以下を含む一貫したシステムインテグレーションサービスを提供します。
- システム構成設計・機器選定支援
- LabVIEW・PXI・CompactDAQなど計測プラットフォームとの統合
- 制御盤設計・製作
- 信号整合・インターフェース設計
- ソフトウェア開発・自動試験シーケンス構築
- 現地導入・調整・保守対応
ペリテックの技術力と経験を活かし、試験・計測・制御システム全体の構築をサポートします
お問い合わせ・見積依頼フォーム
※当社の個人情報保護方針を必ずお読みいただき、同意の上必要事項をご入力してください。